自从OPPO官宣屏下摄像技术,众多粉丝也都在期待快点面市,以最先体验这项黑科技,该专利就介绍一种OPPO屏下摄像技术的专利技术方案,试图让您提前了解这西项黑科技。
八月瓜消息,不久前,OPPO在自家官网上架一款Reno家族新成员——Reno2 Z,从命名能知道,这款手机是Reno Z的迭代版。OPPO Reno2 Z采用了“真·全面屏”设计,将升降摄像头、光感屏幕指纹、VOOC 3.0闪充等OPPO传统优点设计于一身,赋予Reno2 Z全新的产品力。

目前各大手机厂商对于全面屏的追求可谓达到了极致,而前置摄像头一直成为无处安放的一块“累赘”。前置相机的出现,例如手机,平板电脑,笔记本电脑、智能电视等,为满足用户的自拍需求,在电子装置的显示面板上设置有摄像头。为实现摄像头的拍摄功能,需要将摄像头与显示面板的显示屏间隔开。然而,如此的设置导致摄像头必然占据部分显示屏的显示面积,从而导致电子装置的屏占比较低。
针对这个问题,OPPO在18年6月4日申请了一项名为“电子装置”的发明专利(申请号:201820859575.2),申请人为OPPO广东移动通信有限公司。
根据目前公开的专利资料,让我们一起来看看这项屏下摄像头+全面屏技术吧。

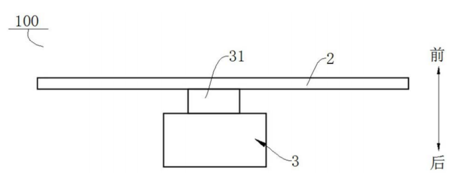
如上图所示为该电子装置的正视图和侧视图,可以看到其中包含有电子设备的壳体1、显示屏2和摄像头3。
显示屏装配于壳体中,显示屏可以包括第一显示屏21和第二显示屏22,第一显示屏的像素密度低于第二显示屏,并且第一显示屏可以为透明屏。显示屏的显示效果与显示屏的像素密度相关,像素密度大的显示屏可以呈现出更佳清晰的显示效果,而像素密度低的第一显示屏或者透明的第一显示屏的透光率要好于像素密度高的显示屏。由此,可以提升第一显示屏的透光率,减少第一显示屏对入射光线的遮挡。
将我们所熟知的手机显示屏分为第一显示屏和第二显示屏,这样的设计是如何提升屏占比又是如何保证拍摄质量的呢?让我们接着往下看。

如上图所示,摄像头设置在壳体内,从而减少了摄像头占用的显示屏的空间,提升了电子装置100%的屏占比,实现了全面屏。通过将与摄像头相对的第一显示屏的像素密度设置的更低或者将第一显示屏设置为透明屏,从而减少了第一显示屏对摄像头位置的光线的遮挡,进而在实现全面屏的同时保证了摄像头的拍摄质量。
此外,第一显示屏和第二显示屏为两块屏幕,且第一显示屏和第二显示屏可以采用不同的屏幕类型,从而便于控制显示屏的成本。

如上图所示为局部结构示意图,当第一显示屏的像素密度低于第二显示屏时,摄像头的镜头在平行于第一显示屏的平面内可移动,并透过第一显示屏的不同位置采集至少两张初始照片,进而根据至少两张初始照片合成不受第一显示区的像素干扰的目标照片。
由此,用户在使用电子装置拍摄时,景物反射出的部分光线可以穿过显示屏的第一显示屏相邻两个像素点之间的间隙,并进入摄像头的镜头,经过摄像头处理后可以完成第一张照片拍摄。
随后摄像头可控制镜头在平行于第一显示屏的平面内移动至某一位置,并完成第二次照片的拍摄,以此类推,可以通过在多个位置拍摄多张照片,并通过软件算法将多张照片的有效像素进行合成,进而可以获得一张清晰且完整的照片。
以上就是将摄像头安置在屏幕下方,从而实现真正的全面屏并且可以保障前置相机的拍摄质量的技术。自从全面屏的概念一经提出,各大厂家针对于这个问题在自家的手机上纷纷做出了革命性的变化,可以说是绞尽了脑汁。希望OPPO这项屏下摄像头技术可以早日推广使用,引领全面屏新时代!
用户登录
手机号
手机验证码